水务热线:96568
首页
集团概况
集团简介
业务领域
企业文化
组织架构
发展历程
社会责任
联系我们
新闻资讯
集团新闻
基层动态
媒体聚焦
聊城水务报
宣传视频
信息公开
人才政策
企业信息公开
单位概况
法规标准
公开目录及指南
价格收费
办事服务
便民公告
水质信息
安全警示
咨询投诉
停水公告
污水公告
财务信息
招聘信息
招标公告
中标公示
收费信息
采购信息
投诉监督
营商环境
相关政策
办事指南
服务承诺
信息公示
政策法规
国家级
省级
市级
网上营业厅
专题专栏
学习贯彻党的二十届四中全会精神
安全生产
纪检专栏
党务专栏
环保专栏
“三提三敢”专栏
信息公开
人才政策
企业信息公开
单位概况
法规标准
公开目录及指南
价格收费
办事服务
便民公告
水质信息
安全警示
咨询投诉
停水公告
污水公告
财务信息
招聘信息
招标公告
中标公示
收费信息
采购信息
投诉监督
首页
>信息公开
>
水质信息
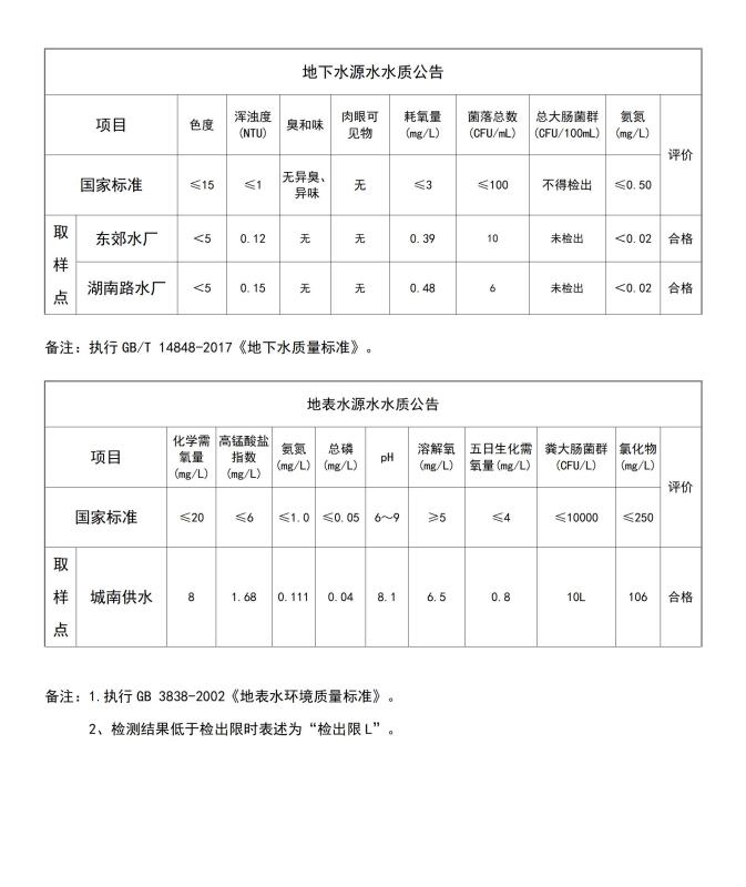
2023年7月水质公告
时间:[2023/8/7 18:00:19] 阅读数: 次
上一篇:
2023年6月水质公告
下一篇:
2023年8月水质公告
返回列表